6136  Rocker black Lettering white, non-illuminated Snap-in mounting from front side
Rocker black
Lettering white, non-illuminated
Snap-in mounting from front side
6136  Rocker red illuminated Snap-in mounting from front side
Rocker red
illuminated
Snap-in mounting from front side
6136  Rocker green illuminated Snap-in mounting from front side
Rocker green
illuminated
Snap-in mounting from front side
6136  Rocker black Non-illuminated Snap-in mounting from front side
Rocker black
Non-illuminated
Snap-in mounting from front side
6136  Rocker black Lettering white, non-illuminated Snap-in mounting from front side
6136  Rocker red illuminated Snap-in mounting from front side
6136  Rocker green illuminated Snap-in mounting from front side
6136  Rocker black Non-illuminated Snap-in mounting from front side

Series

6136

IEC Appliance Inlet C20 with Circuit Breaker TA35 1-pole

Free Sample Request

7 Variants


Connectors (Inlets/Outlets)

C20
Connector Logo
70° C

Description

  • Panel mount: Snap-in version front side
  • 2 Functions: Appliance Inlet Protection class I, Circuit breaker type TA35 1 pole
  • Quick connect terminals 6.3 x 0.8 mm

Characteristics

  • Unwired
  • Switch non-illuminated or illuminated
  • Suitable for use in equipment according to IEC/UL 62368-1

Other versions on request

  • Pre-wired version
  • Quick connect terminals 4.8 x 0.8 mm
  • Protection class II, 70°C

Newly available variants corresponding to V-Lock mating cordset. The connector is equipped with a notch intended for use with the latching cordset. The cord latching system prevents against accidental removal of the cordset.

Ratings IEC

Ratings IEC


The electrical characteristics describe the approved operating values for the state of rated current and rated voltage considering the mentioned conditions.
General information on electrical characteristics colors of fuses
Ratings IEC, UL/CSA General information on the rated current and the rated voltage at EMC products
Rated Voltage Rated current The values are different depending on the approval body and therefore are referenced in the corresponding admission cards for the respective product families. Details about the approvals and ratings are listed in the data sheets.
Search approval information for different families
Approvals

16 A / 250 VAC; 50 Hz

Ratings UL/CSA

Ratings UL


The electrical characteristics describe the approved operating values for the state of rated current and rated voltage considering the mentioned conditions.
General information on electrical characteristics colors of fuses
Ratings IEC, UL/CSA General information on the rated current and the rated voltage at EMC products
Rated Voltage Rated current The values are different depending on the approval body and therefore are referenced in the corresponding admission cards for the respective product families. Details about the approvals and ratings are listed in the data sheets.
Search approval information for different families
Approvals

20 A / 250 VAC; 60 Hz

Dielectric Strength

Dielectric Strength


Information about the maximum permissible voltage, to avoid a voltage breakdown due to insulation damage.
Dielectric Strength

> 2.5 kVAC between L-N
> 3 kVAC between L/N-PE
(1 min/50 Hz)

Allowable Operation Temperature

-25 °C to 60 °C

IP-Protection

IP-Protection


The IP code consists of a two-digit number, which indicates the respective degree of protection.
The first digit specifies the protection from the penetration of foreign objects, the second digit the protection from water penetration with harmful effects. Details about IP protection degree can be looked up in the general product information
IP-Protection

front side IP40 acc. to IEC 60529

Protection against electric shock

IP-Protection


The IP code consists of a two-digit number, which indicates the respective degree of protection.
The first digit specifies the protection from the penetration of foreign objects, the second digit the protection from water penetration with harmful effects. Details about IP protection degree can be looked up in the general product information
IP-Protection

Suitable for appliances with protection class I acc. to IEC 61140

Terminal

Terminals


Terminals according IEC Standard.
Detailed information about terminals can be looked up in the date sheet or in the general product information.
Terminal

Quick connect terminals 6.3 x 0.8 mm

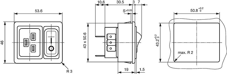
Panel Thickness S

Panel Thickness S


See details in drawing
Snapper

Snap-in: 1.5/2/2.5 mm

Material: Housing

Thermoplastic, black, UL 94V-0

Appliance inlet/-outlet

Appliance inlet/-outlet


Connector type according to IEC 60320-1 resp. IEC 60320-2-2, UL498, CSA C22.2 no.42
Details on connectors and their names can be found in the general product information
Appliance Couplers Mating Connectors Term explanation Special Connector Designs

C20 acc. to IEC 60320-1,
UL 60320-1, CSA C22.2 no. 60320-1 (for cold conditions) pin-temperature 70 °C, 16 A, Protection Class I

Circuit Breakers

Circuit Breaker


Circuit Breakers type and amount of switched poles
Details of Circuit Breakers can be found in the catalog or in the general product information
Circuit Breaker

Acc. IEC/EN 60934, UL 1077, CSA 22.2 no. 235
1-pole rocker switch, illuminated or non-illuminated.
Conditional short circuit Inc:
2000 A

Detailed information on product approvals, code requirements, usage instructions and detailed test conditions can be looked up in  Details about Approvals
SCHURTER products are designed for use in industrial environments. They have approvals from independent testing bodies according to national and international standards. Products with specific characteristics and requirements such as required in the automotive sector according to IATF 16949, medical technology according to ISO 13485 or in the aerospace industry can be offered exclusively with customer-specific, individual agreements by SCHURTER.


Approvals

The approval mark is used by the testing authorities to certify compliance with the safety requirements placed on electronic products.


Approval Reference Type: 6136

Approval Logo Certificates Certification Body Description
Approval marks ENEC_10 VDE Certificate Number: 40025196
Approval marks cURus UL UR File Number: E96454
Approval marks ccc CCC CCC Certificate Number: 2015180204000153


Product standards

Product standards that are referenced

Organization Design Standard Description
Approval marks IEC_Certification_Body Designed according to IEC 60320-1 Appliance couplers for household and similar general purposes
Approval marks UL Designed according to UL 60320-1 Standard for Attachment Plugs and Receptacles
Approval marks CSA_Certification_Body Designed according to CSA C22.2 no. 60320-1 General Use Receptacles, Attachment Plugs, and Similar Wiring Devices


Application standards

Application standards where the product can be used

Organization Design Standard Description
Approval marks IEC_Certification_Body Suitable for applications acc. IEC/UL 62368-1 Audio/video, information and communication technology equipment - Part 1: Safety requirements


Compliances

The product complies with following Guide Lines

Identification Details Initiator Description
Approval marks CE SCHURTER AG The CE marking declares that the product complies with the applicable requirements laid down in the harmonisation of Community legislation on its affixing in accordance with EU Regulation 765/2008.
Approval marks Zulassung_Symbol_UKCA SCHURTER AG The UKCA marking declares that the product complies with the applicable requirements laid down in the British Amendment of Regulation (EC) 765/2008.
Environment_Safety RoHS_Logo_color_CMYK_tif SCHURTER AG Directive RoHS 2011/65/EU, Amendment (EU) 2015/863
Environment_Safety China_RoHS_50_non_konform_eps SCHURTER AG The law SJ / T 11363-2006 (China RoHS) has been in force since 1 March 2007. It is similar to the EU directive RoHS.
Environment_Safety REACH SCHURTER AG On 1 June 2007, Regulation (EC) No 1907/2006 on the Registration, Evaluation, Authorization and Restriction of Chemicals 1 (abbreviated as "REACH") entered into force.
Components V_Lock_Logo SCHURTER AG V-Lock system are based on a matching plug-dose combination. The connector is equipped with a notch intended for use with the latching cordset. The cord latching system prevents against accidental removal of the cordset.

Dimensions [mm]


Diagrams

Non-illuminated

1) Line
2) Load
illuminated (connection N' to L)

1) Line
2) Load

Time-Current-Curves

Tripping Characteristics thermal In < 3 A

Time in Seconds
Multiple of Rated Current In


Ambient temperature +23°
Tripping Characteristics thermal magnetic fast acting

Time in Seconds
Multiple of Rated Current In


Ambient temperature +23°

Effect of ambient temperature

Ambient Temperature [°C] Correction factor
-25 0.79
-20 0.81
0 0.90
+23 1.00
+40 1.03
+50 1.04
+60 1.06


Short Table of Variants 6136 Open complete table 6136

Rated Current CBE [A] Rocker colour Illumination Order Number
Symbols, Footprints, 3D-Models Free Sample

Free Sample


Please ask for free sample in order to check if the products meets your requirement for your application.
Send your delivery adress and your specific requirements.

Distributor Stock Check

Distributor Stock Check


The following links refers to the inquiry form for distributors stock information of the selected products. It allows checking for the available amount and optionally to place an order at your selected partner.
The stock availability at the distributors may also be called up separately and the desired product manually entered.
Stock Check Distributor

...
 
15 green transparent illuminated 120 V 3-129-802 ...
16 green transparent illuminated 240 V 3-110-955 ...
10 red transparent illuminated 240 V 3-100-765 ...
15 black non-illuminated 6136.0137.0210 ...
20 black non-illuminated 6136.0138.0210 ...
20 black non-illuminated 6136.0138.0310 ...
20 black non-illuminated 6136.0138.0410 ...

Packaging unit 15 Pcs 

020050170000001305
LOADING...
Alternative: version for 10 A (15 A) (1)

[Swipe to the left and right for more options]

Substitute for type (1)

[Swipe to the left and right for more options]

Mating Outlets/Connectors (6)

[Swipe to the left and right for more options]

4795

4795, Mounting: Power Cord, Cable Connector: IEC C19

4790

4790, Mounting: Power Cord, Screw Connector: IEC C19

6004.0395

Cord Sets 16 A, Europlug, 2.5 m, Connector IEC C19, H05VV-F3G1.5, black

6020.0392

Cord Sets 16 A, Interconnection, 1.0 m, Connector IEC C19, H05VV-F3G1.5, black

6020.0394

Cord Sets 16 A, Interconnection, 2.0 m, Connector IEC C19, H05VV-F3G1.5, black

6009.5195

Cord Sets 16 A, North America, 2.5 m, Connector IEC C19, SJT 3x14 AWG, black

Mating Outlets/Connectors shuttered (2)

[Swipe to the left and right for more options]

4799

4799, Mounting: Power Cord, Cable Connector: IEC C19

VAC19KS

VAC19KS, Overview, V-Lock cord retaining, diverse Connector IEC C19, diverse, black


18.11.2025
   
en prod By changing the catalog version (Desktop <> Mobile), the system is resetting the chosen filters