PSE NO 19  Piezo Switch N.O.

Series

PSE NO 19

Piezo Switch N.O.

Free Sample Request

3 Variants


Description

  • Available in version Standard and lettered
  • Assembly by mounting with nut
  • Pins / Wire / Crimp Terminal male / Cable with Faston

Unique Selling Proposition

  • Variety of design options regarding size, colour, shape, connection or lettering
  • High reliability, long lifetime with more than 20 mill. actuations

Characteristics

  • Housing material: aluminum or stainless steel
  • For use in harsh environments, both indoors and outdoors (see technical data)

Other versions on request

  • Switch for longer switching signal duration, type: PSE IV
  • Switch for explosion proof applications, type: PSE EX
  • Switch with enhanced vandal proof protection, type: PSE HI

Electrical Data

Switching Function

momentary 

Switching Voltage

max. 42 / 60 VAC/DC

Switching current

max. 100 mA

Electrical Rating

1 W

Lifetime

20 million actuations at Rated Switching Capacity

Switch Resistance OFF

> 10 MΩ

Switch Resistance ON

< 20 Ω actuated (Ta = 25°C)

Capacity

5 nF

N.O. Closing Impulse Duration

20-  1000 ms depending on actuating force, time and speed

Contact Configuration

free polarity 

RGB Illumination

Current Consumtion (max per color)

-

Mechanical Data

Actuating Force

≤ 3 N at ambient temperature

Actuating Travel

0.002 mm

Shock Protection

IK02 

Mounting screw torque

2.5 Nm

Climatical Data

Operating Temperature

-40 to 85 °C

Storage Temperature

-40 to 85 °C

IP-Protection

IP67 acc. to IEC 60529,  IP69K acc. to DIN 40050-9

Environmental Assessment

+55°C␣/  93% r.h. acc. to DIN EN 60068-2-30

Salt Spray Test (acc. to DIN 50021-SS)

24 h / 48 h / 96 h Residence Time 

Material

Housing (depending on type)

Stainless Steel, Aluminum anodized 

Actuating Area / Insert (with Ring Illumination)

Stainless Steel, Aluminum anodized 

Illuminated Ring (Ring Illumination)

Polyamide 

Detailed information on product approvals, code requirements, usage instructions and detailed test conditions can be looked up in  Details about Approvals
SCHURTER products are designed for use in industrial environments. They have approvals from independent testing bodies according to national and international standards. Products with specific characteristics and requirements such as required in the automotive sector according to IATF 16949, medical technology according to ISO 13485 or in the aerospace industry can be offered exclusively with customer-specific, individual agreements by SCHURTER.


Application standards

Application standards where the product can be used

Organization Design Standard Description
Approval marks EU_Fahne Suitable for applications acc. EMC Directive: EMC directive 2014/30/EU
Approval marks MIL_Standard Suitable for applications acc. MIL-STD: 202F Method 107G, 202F Method 204D, 202F Method 213B, 416D Method RS103, 810E Method 501.3, 810E Method 502.3, 810E Method 507.3
Approval marks VDE_Standard Suitable for applications acc. VDE Certificate Number: DIN EN 61000-4-2, DIN EN 61000-4-4, DIN EN 61000-4-5
Approval marks IEC_Certification_Body Suitable for applications acc. IEC/UL 62368-1 Audio/video, information and communication technology equipment - Part 1: Safety requirements


Compliances

The product complies with following Guide Lines

Identification Details Initiator Description
Approval marks CE SCHURTER AG The CE marking declares that the product complies with the applicable requirements laid down in the harmonisation of Community legislation on its affixing in accordance with EU Regulation 765/2008.
Approval marks Zulassung_Symbol_UKCA SCHURTER AG The UKCA marking declares that the product complies with the applicable requirements laid down in the British Amendment of Regulation (EC) 765/2008.
Environment_Safety RoHS_Logo_color_CMYK_tif SCHURTER AG Directive RoHS 2011/65/EU, Amendment (EU) 2015/863
Environment_Safety REACH SCHURTER AG On 1 June 2007, Regulation (EC) No 1907/2006 on the Registration, Evaluation, Authorization and Restriction of Chemicals 1 (abbreviated as "REACH") entered into force.

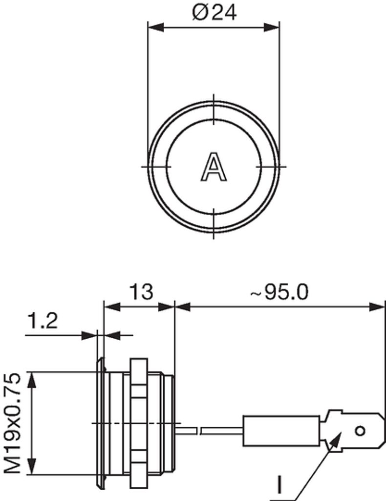
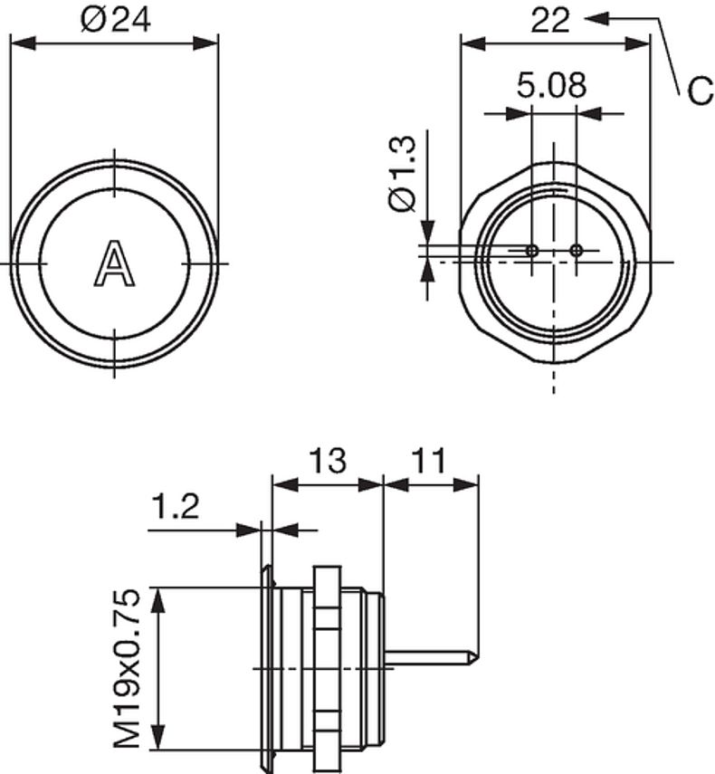
Dimension [mm]

PSE 19 with Pins

PSE M19 with Crimp Terminal male

Version available on request

PSE M19 with Cable with Faston, elevated front design

Terminal: Crimp Terminal female Ultrafast red 6.3 x 0.8

Design actuating area

PSE 19

Drilling diagram

The last three digits in the order number define the lettering:  
001-076 Standard Lettering
101- Customized Lettering
Material Lettering Colour    
Stainless Steel black Filled letters  
Aluminum natural anodized light grey Filled letters (only after customer approval)
Aluminum coloured anodized light grey Filled letters  
Laser Marking      
001 = A 021 = U 041 = ÷ 061 = EIN
002 = B 022 = V 042 = ✳ 062 = AUS
003 = C 023 = W 043 = = 063 = AUF
004 = D 024 = X 044 = # 064 = AB
005 = E 025 = Y 045 = ↔ 065 = ON
006 = F 026 = Z 046 = ↕ 066 = OFF
007 = G 027 = 0 047 = → 067 = UP
008 = H 028 = 1 048 = ← 068 = DOWN
009 = I 029 = 2 049 = ↓ 069 = HIGH
010 = J 030 = 3 050 = ↑ 070 = LOW
011 = K 031 = 4 051 = % 071 = ON/OFF
012 = L 032 = 5 052 = √ 072 = START
013 = M 033 = 6 053 = CTRL 073 = RESET
014 = N 034 = 7 054 = RETURN 074 = Symbol_Indize_074_Beschriftung_ES
015 = O 035 = 8 055 = SHIFT 075 = Symbol_Indize_075_Beschriftung_ES
016 = P 036 = 9 056 = LOCK 076 = Symbol_Indize_076_Beschriftung_ES
017 = Q 037 = + 057 = STOP 077 = Symbol_Indize_077_Beschriftung_ES
018 = R 038 = - 058 = ENTER  
019 = S 039 = . 059 = BACK  
020 = T 040 = x 060 = LINE  
Please note that the font size depends on the number of characters
PSE_NO_Verpackung_1_ML
- Actuating elements in ESD safe packaging
- Screw nuts and sealing O-ring in a bag (enclosed in the box)

PSE_NO_Verpackung_2_ML

Short Table of Variants PSE NO 19 Open complete table PSE NO 19

Mounting Diameter [mm] Terminal Order Number
Symbols, Footprints, 3D-Models Free Sample

Free Sample


Please ask for free sample in order to check if the products meets your requirement for your application.
Send your delivery adress and your specific requirements.

Distributor Stock Check

Distributor Stock Check


The following links refers to the inquiry form for distributors stock information of the selected products. It allows checking for the available amount and optionally to place an order at your selected partner.
The stock availability at the distributors may also be called up separately and the desired product manually entered.
Stock Check Distributor

...
 
19 Pins 1241.3123 ...
19 Pins 1241.3388 ...
19 Cable with Faston 1241.5003 ...

Legend:

Type: PSE

NO = normaly open

IV = prolonged signal

RU = PI = Point Illumination

RI = Ring Illumination

LE = Lettered

K = Plastics

Alu = Aluminium

ES = Stainless steel

F = Finger guidance

E = without finger guidance

Nut with gasket are enclosed in the box.
Other mounting diameters, materials, colors, connections, supply voltages possible available on request.
Special materials e.g. Marine grade stainless steel for use in salt and chlorinated environment on request.
The MOQ for standard laser lettering on standard variants is a packing unit.

Packaging unit 10 in box with insert or packed in air cushion bags 

0307001100000034209
LOADING...
Alternative: switch vandal improved: (1)

[Swipe to the left and right for more options]

Alternative: Other diameter (2)

[Swipe to the left and right for more options]

Alternative: switch with prolonged signal: (2)

[Swipe to the left and right for more options]

Accessories (1)

[Swipe to the left and right for more options]

Connecting Terminal PSE

Connecting Terminal


02.09.2025
   
en prod By changing the catalog version (Desktop <> Mobile), the system is resetting the chosen filters