DTCJ  DIP Schalter, J-Typ Anschluss

Serie

DTCJ SMT DIP-Schalter für hochintegrierte elektronische Schaltungen

DIP Schalter, J-Typ Anschluss

New_Logo

10 Varianten


Beschreibung

  • 1.27 mm SMT DIP Schalter

Alleinstellungsmerkmale

  • 1.27 mm Kontaktabstand zur Platzoptimierung
  • 2.2 mm Bauhöhe für besonders flaches Design
  • J-Typ Anschluss
  • Hohe Anzahl an Schaltzyklen

Elektrische Kennwerte

Schaltspannung

24 VDC (Status ändert sich häufig)

50 VDC (Status konstant)

Schaltstrom

25 mA (Status ändert sich häufig)

100 mA (Status konstant)

Spannungsfestigkeit

Kein elektrischer Durchschlag bei 500 V (50Hz~60Hz, 1min)

Durchgangswiderstand

max. 100 mΩ (initial)

max. 200 mΩ (nach Prüfung)

Mechanische Kennwerte

Betätigungskraft

≤ 5 N

Lebensdauer

1000 Betätigungen

Klimatische Kennwerte

Betriebstemperatur

-40 °C - 85 °C

Lagertemperatur

-40 °C - 85 °C

Kennwerte Löten

Lötverfahren

Reflow 

Material

Anschlüsse

Kupferlegierung, vergoldet 

Schaltkontakt

Kupferlegierung, vergoldet 

Gehäuse

Kunststoff - schwarz 

Betätiger

Kunststoff - weiss 

Detaillierte Informationen zu Zulassungen, Normanforderungen, Verwendungshinweisen und Prüfdetails finden Sie in  Details über Zulassungen
SCHURTER Produkte sind grundsätzlich für den Einsatz im industriellen Umfeld ausgelegt. Sie verfügen über Zulassungen unabhängiger Prüfstellen gemäss nationaler und internationaler Normen.
Produkte mit spezifischen Eigenschaften und Anforderungen wie sie etwa im Bereich Automotive nach IATF 16949, der Medizintechnik gemäss ISO 13485 oder in der Luft- und Raumfahrt gefordert werden, können ausschliesslich mit kundenspezifischen, individuellen Vereinbarungen durch SCHURTER angeboten werden.


Konformitäten

Das Produkt ist konform mit folgenden Richtlinien

Identifikation Details Aussteller Beschreibung
Umwelt_Sicherheit RoHS_Logo_color_CMYK_tif SCHURTER AG Richtlinie RoHS 2011/65/EU, Ergänzung (EU) 2015/863
Umwelt_Sicherheit China_RoHS_e_konform_eps SCHURTER AG Das Gesetz SJ/T 11363-2006 (China RoHS) ist seit dem 1. März 2007 in Kraft. Ähnlich wie bei der EU-Richtlinie RoHS.
Umwelt_Sicherheit REACH SCHURTER AG Am 1. Juni 2007 trat die Verordnung (EG) Nr. 1907/2006 zur Registrierung, Bewertung, Zulassung und Beschränkung chemischer Stoffe 1 (kurz: "REACH") in Kraft.

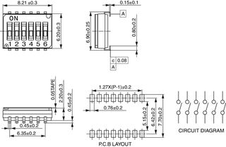
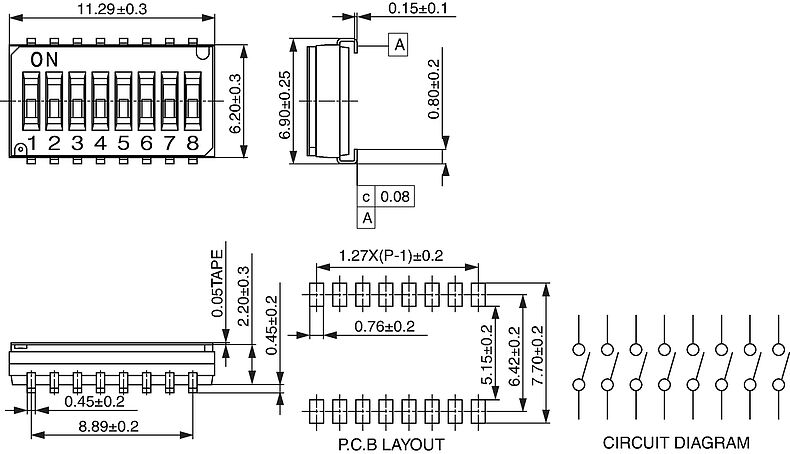
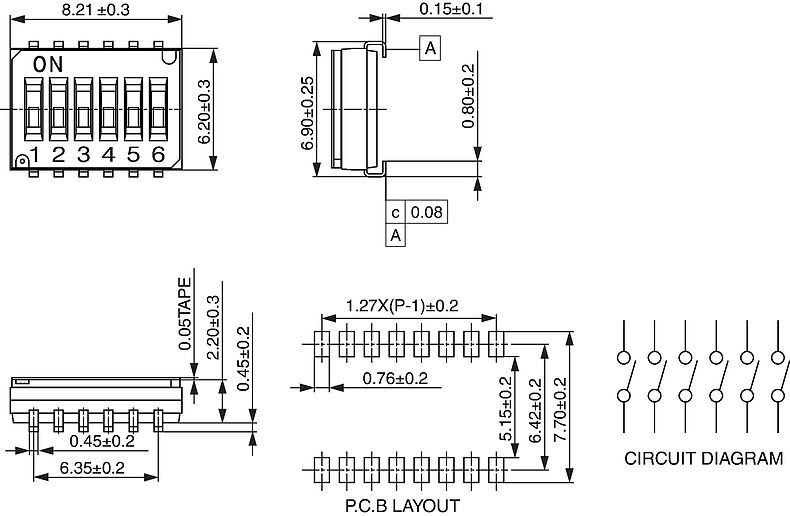
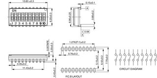
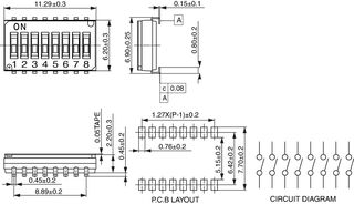
Dimension [mm]

Tape & Reel Abmessungen



Kurze Variantentabelle DTCJ Öffne vollständige Tabelle DTCJ

Typ Anzahl der Positionen Betätiger Bestell-Nummer
Kostenloses Muster

Kostenloses Muster


Gerne stellen wir Muster für Anwendungsprüfung unkompliziert zur Verfügung.
Senden Sie uns dazu Ihre Lieferadresse mit der spezifischen Anfrage zu.

Bestandsabfrage Distributor

Bestandsabfrage Distributor


Der nachfolgende Link verweist auf die Abfrage zum aktuellen Lagebestand bei den verschiedenen Distributoren für die referenzierte Bestellnummer. Damit können Sie die verfügbare Menge prüfen und gegebenfalls gleich eine Bestellung tätigen.
Die Lagerverfügbarkeit bei den Distributoren können Sie auch separat aufrufen und das gewünschte Produkt manuell eingeben.
Lagerbestand Distributor

...
 
DTCJ 02 Versenkter Betätitger mit versiegeltem Mylar 3-160-948 - ...
DTCJ 04 Versenkter Betätitger mit versiegeltem Mylar 3-160-949 - ...
DTCJ 06 Versenkter Betätitger mit versiegeltem Mylar 3-160-950 - ...
DTCJ 08 Versenkter Betätitger mit versiegeltem Mylar 3-160-951 - ...
DTCJ 10 Versenkter Betätitger mit versiegeltem Mylar 3-160-952 - ...
DTCJ 02 Versenkter Betätitger 3-160-953 - ...
DTCJ 04 Versenkter Betätitger 3-160-954 - ...
DTCJ 06 Versenkter Betätitger 3-160-955 - ...
DTCJ 08 Versenkter Betätitger 3-160-956 - ...
DTCJ 10 Versenkter Betätitger 3-160-957 - ...
Schaltstellung 'ON' auf Anfrage
030090160000003602
LOADING...

05.05.2026
   
en prod By changing the catalog version (Desktop <> Mobile), the system is resetting the chosen filters