6010  IEC Appliance Inlet C14, Snap-in Mounting, Solder, Quick-connect, Screw or PCB Terminal

Series

6010

IEC Appliance Inlet C14, Snap-in Mounting, Solder, Quick-connect, Screw or PCB Terminal

Free Sample Request

12 Variants


Connectors (Inlets/Outlets)

C14
Connector Logo
70° C

Description

  • Panel mount: Snap-in version, Front Side
  • 1 Function
  • Appliance Inlet, Pin temperature 70 °C, Protection class I
  • Solder / quick-connect / screw / PCB

Newly available variants corresponding to V-Lock mating cordset. The connector is equipped with a notch intended for use with the latching cordset. The cord latching system prevents against accidental removal of the cordset.

Ratings IEC

Ratings IEC


The electrical characteristics describe the approved operating values for the state of rated current and rated voltage considering the mentioned conditions.
General information on electrical characteristics colors of fuses
Ratings IEC, UL/CSA General information on the rated current and the rated voltage at EMC products
Rated Voltage Rated current The values are different depending on the approval body and therefore are referenced in the corresponding admission cards for the respective product families. Details about the approvals and ratings are listed in the data sheets.
Search approval information for different families
Approvals

10 A / 250 VAC; 50 Hz

Ratings UL/CSA

Ratings UL


The electrical characteristics describe the approved operating values for the state of rated current and rated voltage considering the mentioned conditions.
General information on electrical characteristics colors of fuses
Ratings IEC, UL/CSA General information on the rated current and the rated voltage at EMC products
Rated Voltage Rated current The values are different depending on the approval body and therefore are referenced in the corresponding admission cards for the respective product families. Details about the approvals and ratings are listed in the data sheets.
Search approval information for different families
Approvals

15 A / 250 VAC; 60 Hz

Dielectric Strength

Dielectric Strength


Information about the maximum permissible voltage, to avoid a voltage breakdown due to insulation damage.
Dielectric Strength

> 3 kVAC between L-N
> 3 kVAC between L/N-PE
(1 min/50 Hz)

Allowable Operation Temperature

-25 °C to 70 °C

IP-Protection

IP-Protection


The IP code consists of a two-digit number, which indicates the respective degree of protection.
The first digit specifies the protection from the penetration of foreign objects, the second digit the protection from water penetration with harmful effects. Details about IP protection degree can be looked up in the general product information
IP-Protection

front side IP20 acc. to IEC 60529

Protection against electric shock

IP-Protection


The IP code consists of a two-digit number, which indicates the respective degree of protection.
The first digit specifies the protection from the penetration of foreign objects, the second digit the protection from water penetration with harmful effects. Details about IP protection degree can be looked up in the general product information
IP-Protection

Suitable for appliances with protection class I acc. to IEC 61140

Terminal

Terminals


Terminals according IEC Standard.
Detailed information about terminals can be looked up in the date sheet or in the general product information.
Terminal

Solder / quick-connect / screw / PCB

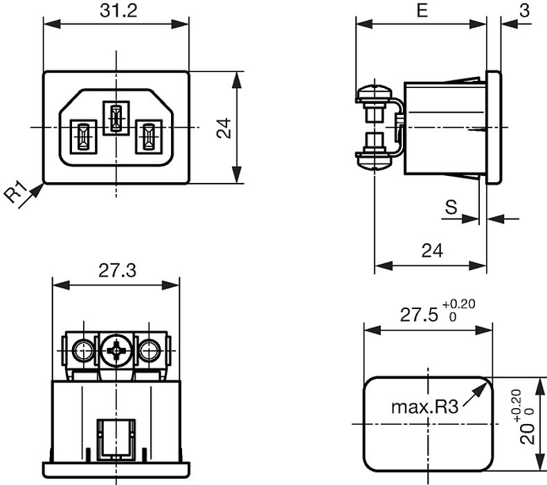
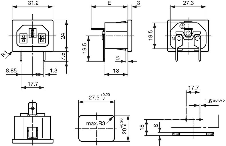
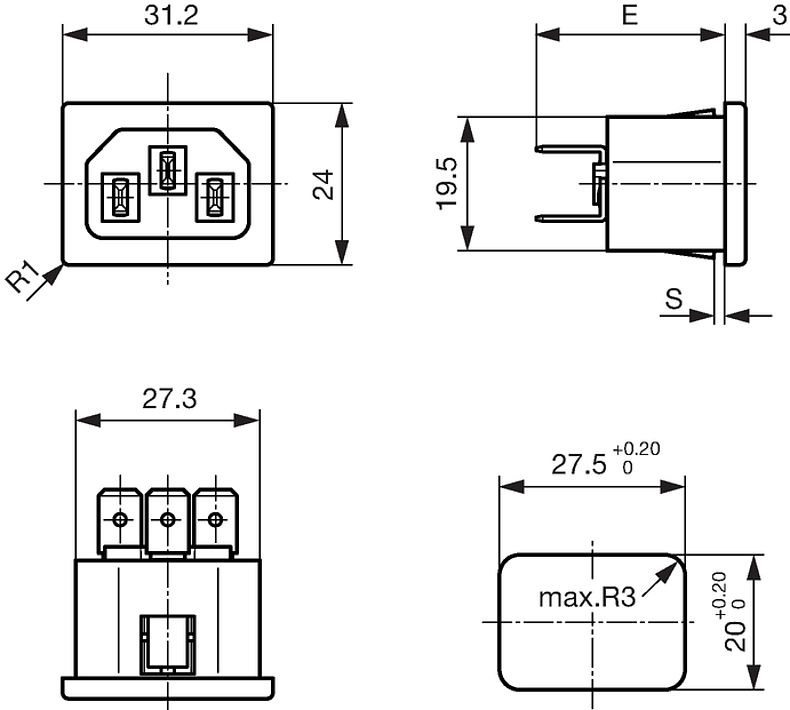
Panel Thickness S

Panel Thickness S


See details in drawing
Snapper

Snap-in version
0.8/1.0/1.2/1.5/2.0/2.5/3.0/4.0 mm

Material: Housing

PA6, black or grey, UL 94V-0

Appliance inlet/-outlet

Appliance inlet/-outlet


Connector type according to IEC 60320-1 resp. IEC 60320-2-2, UL498, CSA C22.2 no.42
Details on connectors and their names can be found in the general product information
Appliance Couplers Mating Connectors Term explanation Special Connector Designs

C14 acc. to IEC 60320-1
UL 60320-1, CSA C22.2 no. 60320-1 (for cold conditions) pin-temperature 70 °C, 10 A, Protection Class I

Detailed information on product approvals, code requirements, usage instructions and detailed test conditions can be looked up in  Details about Approvals
SCHURTER products are designed for use in industrial environments. They have approvals from independent testing bodies according to national and international standards. Products with specific characteristics and requirements such as required in the automotive sector according to IATF 16949, medical technology according to ISO 13485 or in the aerospace industry can be offered exclusively with customer-specific, individual agreements by SCHURTER.


Approvals

The approval mark is used by the testing authorities to certify compliance with the safety requirements placed on electronic products.


Approval Reference Type: 6010

Approval Logo Certificates Certification Body Description
Approval marks ENEC_10 VDE Certificate Number: 40011871
Approval marks cURus UL UR File Number: E96454
Approval marks ccc CCC CCC Certificate Number: 2020180204017601


Product standards

Product standards that are referenced

Organization Design Standard Description
Approval marks IEC_Certification_Body Designed according to IEC 60320-1 Appliance couplers for household and similar general purposes
Approval marks UL Designed according to UL 60320-1 Standard for Attachment Plugs and Receptacles
Approval marks CSA_Certification_Body Designed according to CSA C22.2 no. 60320-1 General Use Receptacles, Attachment Plugs, and Similar Wiring Devices


Application standards

Application standards where the product can be used

Organization Design Standard Description
Approval marks IEC_Certification_Body Suitable for applications acc. IEC/UL 62368-1 Audio/video, information and communication technology equipment - Part 1: Safety requirements


Compliances

The product complies with following Guide Lines

Identification Details Initiator Description
Approval marks CE SCHURTER AG The CE marking declares that the product complies with the applicable requirements laid down in the harmonisation of Community legislation on its affixing in accordance with EU Regulation 765/2008.
Approval marks Zulassung_Symbol_UKCA SCHURTER AG The UKCA marking declares that the product complies with the applicable requirements laid down in the British Amendment of Regulation (EC) 765/2008.
Environment_Safety RoHS_Logo_color_CMYK_tif SCHURTER AG Directive RoHS 2011/65/EU, Amendment (EU) 2015/863
Environment_Safety China_RoHS_e_konform_eps SCHURTER AG The law SJ / T 11363-2006 (China RoHS) has been in force since 1 March 2007. It is similar to the EU directive RoHS.
Environment_Safety REACH SCHURTER AG On 1 June 2007, Regulation (EC) No 1907/2006 on the Registration, Evaluation, Authorization and Restriction of Chemicals 1 (abbreviated as "REACH") entered into force.
Components V_Lock_Logo SCHURTER AG V-Lock system are based on a matching plug-dose combination. The connector is equipped with a notch intended for use with the latching cordset. The cord latching system prevents against accidental removal of the cordset.

Dimensions [mm]

Quick connect or solder terminals

E: Quick-connect terminals 4.8x0.8 mm: 27.0 mm
E: Quick-connect terminals 6.3x0.8 mm: 28.0 mm
E: Solder terminals short: 22.5 mm
E: Solder terminals long: 26.2 mm
Dimension "S" please ref. to table order code
Quick-connect or solder terminals, housing for V-Lock

E: Quick-connect terminals 4.8x0.8 mm: 23.8 mm
E: Quick-connect terminals 6.3x0.8 mm: 24.8 mm
E: Solder terminals short: 19.3 mm
E: Solder terminals long: 23.0 mm
Dimension "S" please ref. to table order code
Bolts and nuts

E: Screw terminals M3.5: 28.0 mm
Dimension "S" please ref. to table order code
PCB terminals

E: Quick-connect terminals 4.8x0.8 mm: 27.0 mm
E: Quick-connect terminals 6.3x0.8 mm: 28.0 mm
E: Solder terminals short: 22.5 mm
E: Solder terminals long: 26.2 mm
E: Screw terminals M3.5: 28.0
Dimension "S" please ref. to table order code


6010 - H - A B C 0- D - E G O
The characters are placeholders for the correspondingly keys of selections from the key tables.

6010 - H - A B C 0- D - E G O = Type
Type Configuration key
protection class I X


6010 - H - A B C 0- D - E G O = Terminals
Terminal L Configuration key
screw terminal A
Solder terminal (L = 5.0mm) large soldering hole Configuration key Logo 1
short solder terminal (L = 4.8 mm) Configuration key Logo 2
long solder terminal (L = 8.5 mm) Configuration key Logo 3
PCB-terminal standard (additional solder terminal) Configuration key Logo 4
Blade terminal (4.8 x 0.8 mm) Configuration key Logo 8
Blade terminal (6.3 x 0.8 mm) Configuration key Logo 9


6010 - H - A B C 0- D - E G O = Terminals
Terminal N Configuration key
screw terminal A
Solder terminal (L = 5.0mm) large soldering hole 1
short solder terminal (L = 4.8 mm) 2
long solder terminal (L = 8.5 mm) 3
PCB-terminal standard (additional solder terminal) 4
Blade terminal (4.8 x 0.8 mm) 8
Blade terminal (6.3 x 0.8 mm) 9
Symbols similar as in table A


6010 - H - A B C 0- D - E G O = Terminals
Terminal Ground Configuration key
screw terminal A
Solder terminal (L = 5.0mm) large soldering hole 1
short solder terminal (L = 4.8 mm) 2
long solder terminal (L = 8.5 mm) 3
Blade terminal (4.8 x 0.8 mm) 8
Blade terminal (6.3 x 0.8 mm) 9
Symbols similar as in table A


6010 - H - A B C 0- D - E G O = Color
Color Configuration key
Black A
Grey B


6010 - H - A B C 0- D - E G O = Style
Style Configuration key
snap-in (s=panel thickness) 4


6010 - H - A B C 0- D - E G O = Dimension S
Dimension "S" Configuration key
08
10
12
15
20
25
30
40
The dimension "S" is displayed in (1/10 mm). This information is also valid for the order code


6010 - H - A B C 0- D - E G O = Features
Features Configuration key
V-Lock V
without V-Lock 0


Short Table of Variants 6010 Open complete table 6010

Terminals L / N Terminal Ground Color Order Number
Symbols, Footprints, 3D-Models Free Sample

Free Sample


Please ask for free sample in order to check if the products meets your requirement for your application.
Send your delivery adress and your specific requirements.

Distributor Stock Check

Distributor Stock Check


The following links refers to the inquiry form for distributors stock information of the selected products. It allows checking for the available amount and optionally to place an order at your selected partner.
The stock availability at the distributors may also be called up separately and the desired product manually entered.
Stock Check Distributor

...
 
Solder terminal short (L = 4.8 mm) Solder terminal short (L = 4.8 mm) black 6162.0012 ...
Quick connect terminal (4.8 x 0.8 mm) Quick connect terminal (4.8 x 0.8 mm) black 6162.0019 ...
Quick connect terminal (6.3 x 0.8 mm) Quick connect terminal (6.3 x 0.8 mm) black 6162.0023 ...
Quick connect terminal (6.3 x 0.8 mm) Quick connect terminal (6.3 x 0.8 mm) black 6162.0024 ...
Quick connect terminal (6.3 x 0.8 mm) Quick connect terminal (6.3 x 0.8 mm) black 6162.0025 ...
Solder terminal long (L = 8.5 mm) long solder terminal (L = 8.5 mm) black 6162.0085 ...
Quick connect terminal (4.8 x 0.8 mm) Quick connect terminal (4.8 x 0.8 mm) black 6162.0155 ...
Quick connect terminal (6.3 x 0.8 mm) Quick connect terminal (6.3 x 0.8 mm) black 6162.0156 ...
Solder terminal short (L = 4.8 mm) Solder terminal short (L = 4.8 mm) black 6162.0161 ...
Quick connect terminal (4.8 x 0.8 mm) Quick connect terminal (4.8 x 0.8 mm) black 6162.0162 ...
Quick connect terminal (4.8 x 0.8 mm) Quick connect terminal (4.8 x 0.8 mm) black 6162.0165 ...
Solder terminal (L = 5.0mm) large soldering hole Solder terminal (L = 5.0mm) large soldering hole black 6162.0179 ...
The listed variants should be available from stock.
Other versions on request
www.schurter.com/contact

Packaging unit 50 Pcs 

020070020000002322
LOADING...
Alternative: protection class II version (1)

[Swipe to the left and right for more options]

Mating Outlets/Connectors (8)

[Swipe to the left and right for more options]

4787

4787, Mounting: Screw-on mounting, Appliance Outlet: IEC Solder terminals, 10 A, Suitable for appliances with protection class I

4788

4788, Mounting: Snap-in version, Appliance Outlet: IEC Solder / Quick Connect, 10 A, Suitable for appliances with protection class I

5091

IEC Appliance Outlet F or H, Screw-on Mounting, Front Side, Solder, PCB or Quick-connect Terminal

4782

4782 Mounting: Power Cord, 3 x 1 mm² / 3 x 18 AWG, Cable, Connector: IEC C13

4785

4785 Mounting: Power Cord, 3 x 1 mm² / 3 x 18 AWG, Cable, Connector: IEC C13

4300-06

4300-06 Mounting: Power Cord, 3 x 1 mm² / 3 x 18 AWG, Cable, Connector: IEC C13

4781

4781 Mounting: Power Cord, Cable, Connector: IEC C15

4784

4784 Mounting: Power Cord, 3 x 1 mm² / 3 x 18 AWG, Cable, Connector: IEC C15

Mating Outlets/Connectors shuttered (2)

[Swipe to the left and right for more options]

4783

4783 Mounting: Power Cord, 3 x 1 mm² / 3 x 18 AWG, Cable, Connector: IEC C13

VAC13KS

VAC13KS, Overview, V-Lock cord retaining, diverse Connector IEC C13, diverse, black

Accessories (1)

[Swipe to the left and right for more options]

RC320

Rear Cover for Power Entry Module


01.10.2025
   
en prod By changing the catalog version (Desktop <> Mobile), the system is resetting the chosen filters