1681  Screw-on from front side Flange with countersunk holes black
Screw-on from front side
Flange with countersunk holes
black
1681  Snap-in mounting from front side black
Snap-in mounting from front side
black
1681  Screw-on from front side Flange with countersunk holes black
1681  Snap-in mounting from front side black

Series

1681

IEC Appliance Inlet C22, for very hot conditions 155°C, Screw-on or Snap-in Mounting, Front Side

Free Sample Request

19 Variants


Connectors (Inlets/Outlets)

C22
Connector Logo
155° C

Description

  • Panel mount
  • Snap-in or screw-on mounting, front side
  • 1 Function:
  • Appliance Inlet, Pin temperature 155 °C, Protection class I
  • Safety of electrical appliances for household and similar purposes. Meets the requirements for appliances in unattended use. This includes the enhanced requirements of glow wire tests acc. to IEC 60695-2-11 or -12 & -13.
  • Solder / Quick Connect / Screw Terminals

Ratings IEC

Ratings IEC


The electrical characteristics describe the approved operating values for the state of rated current and rated voltage considering the mentioned conditions.
General information on electrical characteristics colors of fuses
Ratings IEC, UL/CSA General information on the rated current and the rated voltage at EMC products
Rated Voltage Rated current The values are different depending on the approval body and therefore are referenced in the corresponding admission cards for the respective product families. Details about the approvals and ratings are listed in the data sheets.
Search approval information for different families
Approvals

16 A / 250 VAC; 50 Hz

Ratings UL/CSA

Ratings UL


The electrical characteristics describe the approved operating values for the state of rated current and rated voltage considering the mentioned conditions.
General information on electrical characteristics colors of fuses
Ratings IEC, UL/CSA General information on the rated current and the rated voltage at EMC products
Rated Voltage Rated current The values are different depending on the approval body and therefore are referenced in the corresponding admission cards for the respective product families. Details about the approvals and ratings are listed in the data sheets.
Search approval information for different families
Approvals

20 A / 250 VAC; 60 Hz

Dielectric Strength

Dielectric Strength


Information about the maximum permissible voltage, to avoid a voltage breakdown due to insulation damage.
Dielectric Strength

> 6 kVAC between L-N
> 4 kVAC between L/N-PE
(1 min/50 Hz)

Allowable Operation Temperature

-25 °C to 155 °C

IP-Protection

IP-Protection


The IP code consists of a two-digit number, which indicates the respective degree of protection.
The first digit specifies the protection from the penetration of foreign objects, the second digit the protection from water penetration with harmful effects. Details about IP protection degree can be looked up in the general product information
IP-Protection

front side IP20 acc. to IEC 60529

Protection against electric shock

IP-Protection


The IP code consists of a two-digit number, which indicates the respective degree of protection.
The first digit specifies the protection from the penetration of foreign objects, the second digit the protection from water penetration with harmful effects. Details about IP protection degree can be looked up in the general product information
IP-Protection

Suitable for appliances with protection class I acc. to IEC 61140

Terminal

Terminals


Terminals according IEC Standard.
Detailed information about terminals can be looked up in the date sheet or in the general product information.
Terminal

Solder / Quick Connect / Screw Terminals

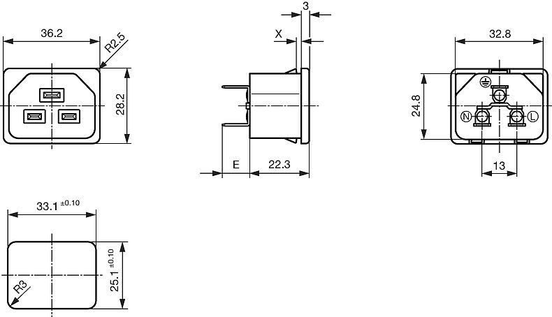
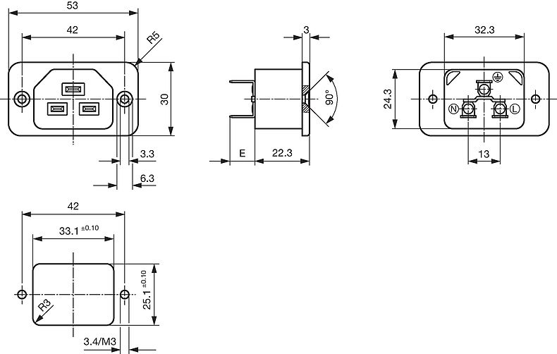
Panel Thickness S

Panel Thickness S


See details in drawing
Snapper

Screw-on mounting: max 12 mm
Mounting screw torque max 0.5 Nm
Snap-in version: 1/1.5/2/2.5/3 mm

Material: Housing

PA, black, UL 94V-0

Appliance inlet/-outlet

Appliance inlet/-outlet


Connector type according to IEC 60320-1 resp. IEC 60320-2-2, UL498, CSA C22.2 no.42
Details on connectors and their names can be found in the general product information
Appliance Couplers Mating Connectors Term explanation Special Connector Designs

C22 acc. to IEC 60320-1
UL 60320-1, CSA C22.2 no. 60320-1 (for hot conditions) pin-temperature 155 °C, 16 A, Protection Class I

Detailed information on product approvals, code requirements, usage instructions and detailed test conditions can be looked up in  Details about Approvals
SCHURTER products are designed for use in industrial environments. They have approvals from independent testing bodies according to national and international standards. Products with specific characteristics and requirements such as required in the automotive sector according to IATF 16949, medical technology according to ISO 13485 or in the aerospace industry can be offered exclusively with customer-specific, individual agreements by SCHURTER.


Approvals

The approval mark is used by the testing authorities to certify compliance with the safety requirements placed on electronic products.


Approval Reference Type: 1681

Approval Logo Certificates Certification Body Description
Approval marks ENEC_10 VDE Certificate Number: 2151856.01
Approval marks cURus UL UR File Number: E96454
Approval marks ccc CCC CCC Certificate Number: 2016180204002720


Product standards

Product standards that are referenced

Organization Design Standard Description
Approval marks IEC_Certification_Body Designed according to IEC 60320-1 Appliance couplers for household and similar general purposes
Approval marks UL Designed according to UL 60320-1 Standard for Attachment Plugs and Receptacles
Approval marks CSA_Certification_Body Designed according to CSA C22.2 no. 60320-1 General Use Receptacles, Attachment Plugs, and Similar Wiring Devices


Application standards

Application standards where the product can be used

Organization Design Standard Description
Approval marks IEC_Certification_Body Suitable for applications acc. IEC/UL 62368-1 Audio/video, information and communication technology equipment - Part 1: Safety requirements
Approval marks IEC_Certification_Body Suitable for applications acc. IEC 60335-1 Safety of electrical appliances for household and similar purposes. Meets the requirements for appliances in unattended use. This includes the enhanced requirements of glow wire tests acc. to IEC 60695-2-11 or -12 & -13.


Compliances

The product complies with following Guide Lines

Identification Details Initiator Description
Approval marks CE SCHURTER AG The CE marking declares that the product complies with the applicable requirements laid down in the harmonisation of Community legislation on its affixing in accordance with EU Regulation 765/2008.
Approval marks Zulassung_Symbol_UKCA SCHURTER AG The UKCA marking declares that the product complies with the applicable requirements laid down in the British Amendment of Regulation (EC) 765/2008.
Environment_Safety RoHS_Logo_color_CMYK_tif SCHURTER AG Directive RoHS 2011/65/EU, Amendment (EU) 2015/863
Environment_Safety China_RoHS_e_konform_eps SCHURTER AG The law SJ / T 11363-2006 (China RoHS) has been in force since 1 March 2007. It is similar to the EU directive RoHS.
Environment_Safety REACH SCHURTER AG On 1 June 2007, Regulation (EC) No 1907/2006 on the Registration, Evaluation, Authorization and Restriction of Chemicals 1 (abbreviated as "REACH") entered into force.
Environment_Safety Glow_Wire_Proof SCHURTER AG Meets the requirements of IEC 60335-1 for appliances in unattended use. This includes the enhanced requirements of glow wire tests acc. to IEC 60695-2-11 or -12 &-13.

Dimensions [mm]

Screw-on mounting

E: Quick-connect terminals 6.3x0.8 mm: 10.3 mm
E: Quick-connect terminals 4.8x0.8 mm: 9.3 mm
E: Solder terminals: 5.1 mm
E: Screw terminals: 10.3 mm

Snap-in mounting

E: Quick-connect terminals 6.3x0.8 mm: 10.3 mm
E: Quick-connect terminals 4.8x0.8 mm: 9.3 mm
E: Solder terminals: 5.1 mm
E: Screw terminals: 10.3 mm



1681 - H - A B C 0- D - E G
The characters are placeholders for the correspondingly keys of selections from the key tables.

1681 - H - A B C 0- D - E G = Type
Type Configuration key
protection class I X


1681 - H - A B C 0- D - E G = Terminals
Terminal L Configuration key
screw terminal A
solder terminal (L = 5.1 mm) D
Blade terminal (4.8 x 0.8 mm) Configuration key Logo 8
Blade terminal (6.3 x 0.8 mm) Configuration key Logo 9


1681 - H - A B C 0- D - E G = Terminals
Terminal N Configuration key
screw terminal A
solder terminal (L = 5.1 mm) D
Blade terminal (4.8 x 0.8 mm) 8
Blade terminal (6.3 x 0.8 mm) 9
Symbols similar as in table A


1681 - H - A B C 0- D - E G = Terminals
Terminal Ground Configuration key
screw terminal A
solder terminal (L = 5.1 mm) D
Blade terminal (4.8 x 0.8 mm) 8
Blade terminal (6.3 x 0.8 mm) 9
Symbols similar as in table A


1681 - H - A B C 0- D - E G = Color
Color Configuration key
Black A


1681 - H - A B C 0- D - E G = Style
Style Configuration key
flange with countersunk holes 1
snap-in (s=panel thickness) 4


1681 - H - A B C 0- D - E G = Dimension S
Dimension "S" Configuration key
10
15
20
25
30
The dimension "S" is displayed in (1/10 mm). This information is also valid for the order code


Short Table of Variants 1681 Open complete table 1681

Terminals L / N Terminal Ground Style Order Number
Symbols, Footprints, 3D-Models Free Sample

Free Sample


Please ask for free sample in order to check if the products meets your requirement for your application.
Send your delivery adress and your specific requirements.

Distributor Stock Check

Distributor Stock Check


The following links refers to the inquiry form for distributors stock information of the selected products. It allows checking for the available amount and optionally to place an order at your selected partner.
The stock availability at the distributors may also be called up separately and the desired product manually entered.
Stock Check Distributor

...
 
               
solder terminal (L = 5.1 mm) solder terminal (L = 5.1 mm) flange with countersunk holes 6173.0001 ...
Blade terminal (4.8 x 0.8 mm) Blade terminal (4.8 x 0.8 mm) flange with countersunk holes 6173.0002 ...
Blade terminal (6.3 x 0.8 mm) Blade terminal (6.3 x 0.8 mm) flange with countersunk holes 6173.0003 ...
screw terminal screw terminal flange with countersunk holes 6173.0004 ...
solder terminal (L = 5.1 mm) solder terminal (L = 5.1 mm) snap-in (s=panel thickness) 6173.0009 ...
solder terminal (L = 5.1 mm) solder terminal (L = 5.1 mm) snap-in (s=panel thickness) 6173.0010 ...
solder terminal (L = 5.1 mm) solder terminal (L = 5.1 mm) snap-in (s=panel thickness) 6173.0011 ...
solder terminal (L = 5.1 mm) solder terminal (L = 5.1 mm) snap-in (s=panel thickness) 6173.0012 ...
solder terminal (L = 5.1 mm) solder terminal (L = 5.1 mm) snap-in (s=panel thickness) 6173.0013 ...
Blade terminal (4.8 x 0.8 mm) Blade terminal (4.8 x 0.8 mm) snap-in (s=panel thickness) 6173.0014 ...
Blade terminal (4.8 x 0.8 mm) Blade terminal (4.8 x 0.8 mm) snap-in (s=panel thickness) 6173.0015 ...
Blade terminal (4.8 x 0.8 mm) Blade terminal (4.8 x 0.8 mm) snap-in (s=panel thickness) 6173.0016 ...
Blade terminal (4.8 x 0.8 mm) Blade terminal (4.8 x 0.8 mm) snap-in (s=panel thickness) 6173.0017 ...
Blade terminal (4.8 x 0.8 mm) Blade terminal (4.8 x 0.8 mm) snap-in (s=panel thickness) 6173.0018 ...
Blade terminal (6.3 x 0.8 mm) Blade terminal (6.3 x 0.8 mm) snap-in (s=panel thickness) 6173.0019 ...
Blade terminal (6.3 x 0.8 mm) Blade terminal (6.3 x 0.8 mm) snap-in (s=panel thickness) 6173.0020 ...
Blade terminal (6.3 x 0.8 mm) Blade terminal (6.3 x 0.8 mm) snap-in (s=panel thickness) 6173.0021 ...
Blade terminal (6.3 x 0.8 mm) Blade terminal (6.3 x 0.8 mm) snap-in (s=panel thickness) 6173.0022 ...
Blade terminal (6.3 x 0.8 mm) Blade terminal (6.3 x 0.8 mm) snap-in (s=panel thickness) 6173.0023 ...

Packaging unit 50 Pcs 

020070030000002363
LOADING...
Alternative: version with line filter (1)

[Swipe to the left and right for more options]

Mating Outlets/Connectors (2)

[Swipe to the left and right for more options]

1658

1658, Mounting: Power Cord, Screw clamps Connector: IEC C21

6051.5001

Cord Sets 16 A, Europlug, 2.5 m, Connector IEC C21, H05VV-F3G1.5, black


01.10.2025
   
en prod By changing the catalog version (Desktop <> Mobile), the system is resetting the chosen filters