MSS-IO  MSS-IO
MSS-IO

Series

MSS-IO

IO-Link Communication

New_Logo

Description

  • IO-Link Communication protocol
  • Resistive electronic switch (LA) / pushbutton (MO) without moving parts
  • Triggering of the switching mechanism by light pressure on the switching surface
  • Multicolor illumination

Unique Selling Proposition

  • Hygienic operation
  • Trendy design

Characteristics

  • Insensitive to water
  • Side illumination
  • Wearless - no moving parts

Electrical Data

Switching Function

momentary (MO) or latching (LA) 

Supply Voltage

24 VDC

Output

adjustable 

Contact Configuration

PNP/NPN/Push-Pall/NO/NC 

Lifetime

>20 million actuations

Mechanical Data

Actuation Type

Resistive 

Actuating Force

1 - 3 N 

Shock Protection

IK06 

Mounting Depth

28.9 mm

Connector

M12 

Tightening Torque Plastic Nut

2.5 Nm

Climatical Data

Operating Temperature

-40 to 85 °C

Storage Temperature

-40 to 85 °C

IP Protection Class Front Side

IP67 / IP69K acc. to IEC 60529

Salt Spray Test (acc. to IEC 60068-2-11)

96 h Residence Time 

Material

Housing

PMMA 

Actuator

Stainless Steel 

Illuminated ring

PMMA 

Rear cover

PC 

Mounting Nut

PBT GF30 



MSS-IO Link
MSS-IO Link IODD-Finder




  MSS-IO_General characteristics

Detailed information on product approvals, code requirements, usage instructions and detailed test conditions can be looked up in  Details about Approvals
SCHURTER products are designed for use in industrial environments. They have approvals from independent testing bodies according to national and international standards. Products with specific characteristics and requirements such as required in the automotive sector according to IATF 16949, medical technology according to ISO 13485 or in the aerospace industry can be offered exclusively with customer-specific, individual agreements by SCHURTER.


Approvals

The approval mark is used by the testing authorities to certify compliance with the safety requirements placed on electronic products.


Approval Reference Type: MSS-IO

Approval Logo Certificates Certification Body Description


Compliances

The product complies with following Guide Lines

Identification Details Initiator Description
Approval marks CE SCHURTER AG The CE marking declares that the product complies with the applicable requirements laid down in the harmonisation of Community legislation on its affixing in accordance with EU Regulation 765/2008.
Approval marks Zulassung_Symbol_UKCA SCHURTER AG The UKCA marking declares that the product complies with the applicable requirements laid down in the British Amendment of Regulation (EC) 765/2008.
Environment_Safety RoHS_Logo_color_CMYK_tif SCHURTER AG Directive RoHS 2011/65/EU, Amendment (EU) 2015/863
Environment_Safety REACH SCHURTER AG On 1 June 2007, Regulation (EC) No 1907/2006 on the Registration, Evaluation, Authorization and Restriction of Chemicals 1 (abbreviated as "REACH") entered into force.

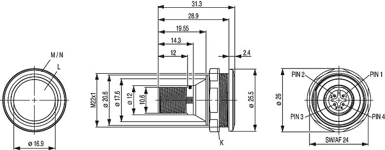
Dimension [mm]

MSS22 Mounting hole

K: Nut (Plastic)
L: Actuator (Stainless steel)
M: Lightguide (Plastic)
N: Bezel (Plastic)

Diagrams


Short Table of Variants MSS-IO Open complete table MSS-IO

Diameter [mm] Rated Current [A] Illumination type Order Number
Symbols, Footprints, 3D-Models Free Sample

Free Sample


Please ask for free sample in order to check if the products meets your requirement for your application.
Send your delivery adress and your specific requirements.

Distributor Stock Check

Distributor Stock Check


The following links refers to the inquiry form for distributors stock information of the selected products. It allows checking for the available amount and optionally to place an order at your selected partner.
The stock availability at the distributors may also be called up separately and the desired product manually entered.
Stock Check Distributor

...
 
22 - Lateral illumination 3-150-067 - ...

Packaging unit 1 Pcs 

030700300000003415
LOADING...

02.09.2025
   
cns prod 通过更改目录版本(桌面 <> 移动),系统将重置所选的过滤器